Virtamuuntaja CT
Zero Sequence Ct Virtamuuntaja Donitsityyppi
  • Zero Sequence Ct Virtamuuntaja DonitsityyppiZero Sequence Ct Virtamuuntaja Donitsityyppi
  • Zero Sequence Ct Virtamuuntaja DonitsityyppiZero Sequence Ct Virtamuuntaja Donitsityyppi

Zero Sequence Ct Virtamuuntaja Donitsityyppi

Wenzhou XiFa Electric Power Equipment Co., Ltd käyttää hyvälaatuisia ja kilpailukykyisiä raaka-aineita tuottaakseen kiinteän laadukkaan nollasekvenssin ct-virtamuuntajan donitsityypin. Käämitysprosessissa Wenzhou XiFa käyttää hapetonta kupari-emaloitua lankaa varmistaakseen sähkönjohtavuuden ja mekaanisen lujuuden jokaiselle nollasekvenssin ct-virtamuuntajan donitsityypille. Samaan aikaan ytimen valmistuksessa Wenzhou XiFa käyttää korkean magneettisen läpäisevyyden piiteräslevyä säilyttääkseen erinomaisen suorituskyvyn herkässä vasteessa pieneen nollasekvenssivirtaan.

Nollasekvenssin ct-virtamuuntaja on yksikierros, ydinlaitteen kautta, jota käytetään voimajärjestelmissä nollasekvenssin virtojen valvontaan. Se toimii suojarelejärjestelmien tärkeänä komponenttina, jota käytetään ensisijaisesti maavikojen, vuotovirtojen ja eristysvalvontaan. Tunnistelemalla kolmen vaihevirran vektorisumman ja tuloksena olevan nollasekvenssivirran, nollasekvenssin ct-virtamuuntaja voi laukaista suojaustoiminnot ja liittää matalavirran maadoitusvalitsimiin, digitaalisiin harmonisten vaimennuslaitteiden ja releen suojausyksiköihin antaakseen vikahälytyksiä ja katkaistakseen virran.

Rakenteellisesti nollasekvenssin ct-virtamuuntaja koostuu toroidisesta sydämestä ja toisiokäämistä, jotka on kapseloitu epoksihartsi- tai silikonikumikoteloon, mikä tarjoaa kosteudenkestävyyden ja saastumissuojan. Asennusvaihtoehtoja ovat solid , joka vaatii valmiiksi vedetyt kaapelit ja jaetun ytimen mallit, jotka mahdollistavat jälkiasennuksen kaapeleita irroittamatta.

Se on yhteensopiva 50 Hz:n tehojärjestelmien kanssa, mikä tarjoaa tarvittavan herkkyyden ja lineaarisuuden erilaisille neutraalipistekokoonpanoille, mukaan lukien maadoitetut ja maadoittamattomat järjestelmät. Nollasekvenssin ct-virtamuuntajia käytetään laajasti älykkäissä verkoissa, rautatieliikenteessä, rakennusten sähköjärjestelmissä ja teollisuuslaitteiden valvonnassa luotettavan vian havaitsemisen ja järjestelmän suojauksen tarjoamiseksi.

Zero Sequence Ct Current Transformer Donut TypeZero Sequence Ct Current Transformer Donut Type

Tyyppi Releen tyyppi Yhteysmenetelmä Skaalausarvo Ensisijainen virta Tyyppi Releen tyyppi Yhteysmenetelmä Skaalausarvo Ensisijainen virta
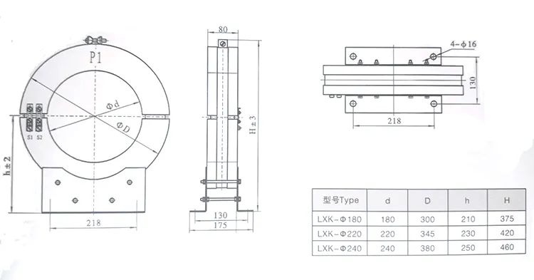
LXK-Φ80 LXK-Φ100 LXK-Φ120 LXK-Φ150 DD11/60 Sarja 15*1 2.4-4.5 LXK-Φ180 LXK-Φ220 LXK-Φ240 DD11/60 Sarja 15*1 2.4-4.5
30*1 30*1
Rinnakkainen 15*2 3-5 Rinnakkainen 15*2 3-5
30*2 30*2
DD1/60 Sarja 15*1 3-5 DD1/60 Sarja 15*1 3-5
30*1 30*1
Rinnakkainen 15*2 3-6 Rinnakkainen 15*2 3-6
30*2 30*2

Zero Sequence Ct Current Transformer Donut Type

Tuotteen UKK:

K: Mikä on donitsityyppinen nollasekvenssin ct-virtamuuntaja?

Donut-tyyppinen nollasekvenssinen CT-virtamuuntaja on läpivienti-ydinlaite, joka on suunniteltu havaitsemaan nollasekvenssin virrat kolmivaiheisissa järjestelmissä. Sen toroidaalinen ydin sallii ensiöjohtimen kulkea keskustan läpi, mikä tarjoaa tunkeutumattoman maavikojen, vuotovirtojen ja eristysolosuhteiden valvonnan.

K: Miten donitsityyppinen nollasekvenssi ct -virtamuuntajan lähtösignaali antaa?

V: Donut-tyyppinen nollasekvenssin ct-virtamuuntaja muuntaa nollasekvenssin virran suhteelliseksi jännitteeksi tai toisiovirraksi käyttämällä erittäin tarkkaa käämitystä ja Rogowski-kelatekniikkaa. Tämä lähtö on yhteensopiva releiden, mittareiden ja valvontajärjestelmien kanssa nopeaa ja tarkkaa vian havaitsemista varten.

K: Mitkä ovat donitsityyppisen nollasekvenssin ct-virtamuuntajan tyypilliset sovellukset?

V: Donut-tyyppistä nollasekvenssistä ct-virtamuuntajaa käytetään yleisesti:

1. Maavikasuojaus ja vuotovirran havaitseminen;

2. Neutraalipisteen valvonta sähkönjakelujärjestelmissä;

3. Integrointi digitaalisten suojareleiden, harmonisten vaimennuslaitteiden ja älykkäiden verkkojen valvontajärjestelmien kanssa.

4. Teollisuuslaitteet, rakennusten sähköverkot ja rautatieliikennejärjestelmät.




Hot Tags: Nollasekvenssin CT-virtamuuntaja, Donut-tyyppinen CT, maasulkusuojamuuntaja
Aiheeseen liittyvä luokka
Lähetä kysely
Yhteystiedot

Saadaksesi tarjouksesi mahdollisimman pian

XiFa on luotettava sähkölaitteiden toimittajasi
X
Käytämme evästeitä tarjotaksemme sinulle paremman selauskokemuksen, analysoidaksemme sivuston liikennettä ja mukauttaaksemme sisältöä. Käyttämällä tätä sivustoa hyväksyt evästeiden käytön. Tietosuojakäytäntö
Hylätä Hyväksyä